华体会手机网页版登录入口

13316372403

您的位置: 网站华体会手机网页版登录入口 > 产品中心 > 滚筒线系列
  • 华体会手机网页版登录入口-华体会(中国)
  • 流水线系列
  • 非标自动化
  • 精益线系列
  • 链条环形线系列
  • 插件线系列
  • 烘烤线系列
  • 滚筒线系列
  • 产品老化系列
  • 工作台系列
  • 其它品类产品
  • 多向滚筒线A

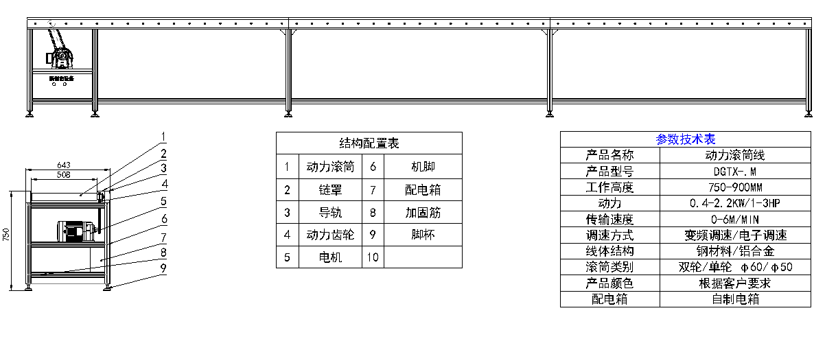
    产品类别:滚筒线系列

    产品简介:

    动力滚筒线, 采用电机动力通过链条带滚筒转动进行输送,实现自动流动式作业(即工件一边自动流动一边作业),该作业方式效率较高。该设备广泛应用于重型产品的装配、包装生产,同时也适用于各类包箱,托盘等货物的输送,散件,小物件或不规则物品需放在托盘或周转箱内输送,也能够运送单件重量很大的物料,承受较大的冲击载荷,滚道之间易于衔接过渡,本线体可多条滚筒线及其它输送设备相互对接,组成物流输送系统,完成多方面工艺需要。

    采购热线:13316372403

    电话咨询 返回上页

    图片19.png

    图片20.png


    电话联系 联系方式

    微信

    微信公众号

    关注微信

    电话

    座机:0752-2311081 手机:13316372403

    顶部